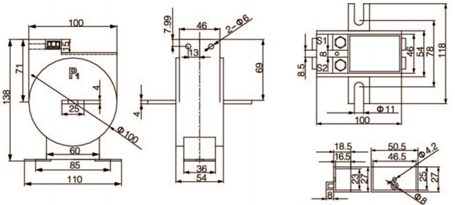
● LQZJ4-0.66(AKH-0.66/Q)型计量用电流互感器
功能:
产品一次接线采用直接式,二次电流信号及一次电压信号接线用透明接线罩罩好后铅封,以防止窃电。
应用范围:
电能计量回路。
订货范例:
具体型号:LQZJ4-0.66/30 300A/5A
技术要求:额定电流比300A/5A;准确级0.2S级;额定负荷10VA。
通讯协议:无
辅助电源:无
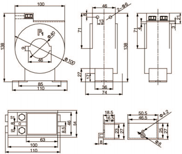
● LMZD-0.66(AKH-0.66ZD系列计量型电流互感器
功能:
该系列产品与供电系统收费电能表配合使用,产品采用环氧浇注绝缘,二次接线端子采用透明接线罩罩好后铅封,以防止窃电,产品准确级为0.2S和0.5S,产品性能完全满足国家电网公司企业标准Q/GDW572-2010要求。
应用范围:
供电系统计量
订货范例:
具体型号:AKH-0.66/ZD1 200A/5A
技术要求:额定电流比200A/5A;准确级0.2S级;额定负荷10VA。
通讯协议:无
辅助电源:无
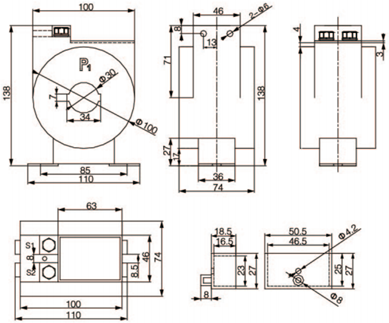
● AKH-0.66/J系列计量型电流互感器
功能:
该系列产品与测量仪表和其他测控装置配套使用,产品采用环氧浇注绝缘,二次接线端子采用透明接线罩罩好后铅封,以防止窃电,产品准确级可达0.2S,产品等效于LMZ-0.5和LMZJ-0.66,性能完全满足国家标准GB1206-2006等效IEC60044-1:2003要求。
应用范围:
低压配电系统测量、计量用
订货范例:
具体型号:AKH-0.66/J-30I 150A/5A
技术要求:额定电流比150A/5A;准确级1级;额定负荷2.5VA;穿心匝数1匝。
通讯协议:无
辅助电源:无
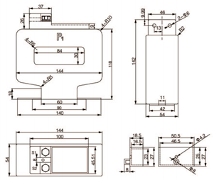
● AKH-0.66/H系列电流互感器
功能:
容量大,防护等级为IP65,适用于变压器低压测量,保护等级可达10P20,能够有效的对电动机进行短路或过载保护。方形孔型,可穿越铜排,一般配继电保护使用,可与ARD3T电动机保护器单元、ALP线路保护配套使用,也可以与ABB的SPAJ140C继电器配合使用。
应用范围:
变压器低压测量
订货范例:
具体型号:AKH-0.66/H-220×165 6000A/5A
技术要求:额定电流比6000A/5A;准确级10P15;额定负荷30VA;穿心匝数1匝。
通讯协议:无
辅助电源:无
● LQZJ4-0.66(AKH-0.66/Q)型计量用电流互感器
|
规格型号
|
额定一次电流
(A)
|
额定二次电流比(A)
|
准确级
|
额定负荷(VA)
|
短时热稳定电流(kA)
|
短时动稳定电流(kA)
|
|
LQZJ4-0.66/30
|
30-300
|
5
|
0.2S级
|
10
|
50
|
100
|
|
LQZJ4-0.66/40
|
400-800
|
|
LQZJ4-0.66/50
|
1000-1500
|
● LMZD-0.66(AKH-0.66ZD系列计量型电流互感器
LFZ1-0.66(AKH-0.66FZ1)
|
额定一次电流(A)
|
额定二次电流比(A)
|
准确级
|
短时热稳定电流(kA)
|
短时动稳定电流(kA)
|
|
0.2S级
|
0.5S级
|
|
10、15、20、25
30、40、50、60
|
5、1
|
10VA
|
50倍
额定一次电流
|
100倍
额定一次电流
|
LMZD1-0.66(AKH-0.66ZD1)
|
规格
|
额定电流比(A)
|
准确级
|
穿心匝数
|
母排规格/根数
|
电缆最大外径(mm)
|
|
0.2S级
|
0.5S级
|
|
LMZD1-0.66
(AKH-0.66ZD1)
|
75/5(1)
|
5VA
|
1
|
30×6/1
|
Φ30
|
|
100-200/5(1)
|
10VA
|
LMZD2-0.66(AKH-0.66ZD2)
|
规格
|
额定电流比(A)
|
准确级
|
穿心匝数
|
母排规格/根数
|
电缆最大外径(mm)
|
|
0.2S级
|
0.5S级
|
|
LMZD2-0.66
(AKH-0.66ZD2)
|
200/5(1)
|
5VA
|
1
|
40×8/1
|
Φ40
|
|
250-600/5(1)
|
10VA
|
LMZD3-0.66(AKH-0.66ZD3)
|
规格
|
额定电流比(A)
|
准确级
|
穿心匝数
|
母排规格/根数
|
|
0.2S级
|
0.5S级
|
|
LMZD3-0.66
(AKH-0.66ZD3)
|
600/5(1)
|
5VA
|
1
|
80×10/1-2
|
|
800/5(1)
|
10VA
|
LMZD4-0.66(AKH-0.66ZD4)
|
规格
|
额定电流比(A)
|
准确级
|
穿心匝数
|
母排规格/根数
|
|
0.2S级
|
0.5S级
|
|
LMZD4-0.66
(AKH-0.66ZD4)
|
800/5(1)
|
5VA
|
1
|
100×10/1-3
|
|
1000-1500/5(1)
|
10VA
|
● AKH-0.66/J系列计量型电流互感器
● AKH-0.66/H系列电流互感器
● LQZJ4-0.66(AKH-0.66/Q)型计量用电流互感器
● LMZD-0.66(AKH-0.66ZD系列计量型电流互感器
LFZ1-0.66(AKH-0.66FZ1)
LMZD1-0.66(AKH-0.66ZD1)
LMZD2-0.66(AKH-0.66ZD2)
LMZD3-0.66(AKH-0.66ZD3)
LMZD4-0.66(AKH-0.66ZD4)
● AKH-0.66/J系列计量型电流互感器
● AKH-0.66/H系列电流互感器
AKH-0.66ZD(LMZD-0.66)系列计量型电流互感器
AKH-0.66/J系列电流互感器
AKH-0.66/H系列电流互感器